18. GX - Ligar/desligar o gerador de forma automática
18.1. Introdução
Quando integra um gerador CA ou CC num dispositivo GX, estão disponíveis as seguintes funções:
Características gerais:
Controlo automático do gerador: Pode fazer o arranque e a paragem do gerador automaticamente com a função de ligar / desligar automático do gerador com base em várias condições do sistema.
Controlo manual e programação: Pode ligar e desligar o gerador manualmente, com a opção de programar um funcionamento temporizado.
Seguimento de manutenção: Monitorize as horas de funcionamento e os intervalos de manutenção.
Vida útil prolongada do grupo gerador: As funções integradas de aquecimento e arrefecimento garantem uma lubrificação adequada antes da aplicação da carga e evitam os desligamentos repentinos.
Para grupos geradores ligados:
Monitorização do desempenho: Visualize os dados da produção CA ou CC.
Seguimento dos parâmetros do motor: Monitorize a pressão, a temperatura, as rotações, a tensão da bateria de arranque e os níveis do depósito de combustível.
Alertas de erro: Receba notificações sobre os erros do sistema.
Compatibilidade para DVCC: Os geradores CC selecionados são compatíveis para o Controlo de Corrente e a Tensão Distribuída (consulte o capítulo DVCC - Tensão Distribuída e Controlo de Corrente).
A monitorização e o controlo estão disponíveis não apenas no próprio dispositivo GX, mas também através do Portal VRM e da aplicação Marine MFD HTML5. Para mais informação, consulte os capítulos Portal VRM e Integração Marine MFD por aplicação.
As FAQ do Gerador MultiPlus disponibilizam mais informação geral sobre o planeamento de um sistema Victron com um gerador.
18.2. Como integrar
Existem duas opções de integração:
Integração controlada por relé: Um sinal de ligar / desligar sem potencial com fios é suportado através do Relé 1 do dispositivo GX (consulte na secção 17.2.7 o sinal de ligar / desligar controlado por relé).
Integração do grupo gerador ligado: Se o gerador ou o seu controlador forem listados na tabela abaixo, a comunicação digital é compatível para a leitura e o controlo através de VE.Can, Ethernet ou RS485 (utilizando um conversor RS485 para USB, como a interface Victron RS485 para USB).
Controladores de gerador CA compatíveis para integração de grupos geradores ligados
Fabricante | Modelo | Tipo de ligação | Observações |
|---|---|---|---|
ComAp | InteliLite 4 AMF 25 InteliLite 4 AMF 20 InteliLite 4 AMF 9 InteliLite 4 AMF 8 InteliLite 4 MRS 16 | Ethernet | |
Tecnologia CRE | Compact AMF Gensys Compact Prime Gensys Compact Mains | Ethernet | |
Deep Sea Electronics | DSE4620 | Ethernet ou RS485 | Para Ethernet: Ver 1) Para RS485: Ver 2) e 3) |
DSE6120 | |||
DSE4510 MKII | |||
DSE4520 MKII | |||
DSE6110 MKII | |||
DSE6120 MKII | |||
DSE7310 MKII | Para Ethernet: Ver 1) Para RS485: Ver 3) | ||
DSE 7410 MKII | Para RS485: Ver 4) | ||
DSE 7420 MKII | |||
DSE8610 MKII | |||
DSE8620 MKII | |||
DSE8660 MKII | |||
DEIF | Gerador AGC 150 | Ethernet ou RS485 | Para RS485: Ver 4) |
AGC 150 Hybrid | |||
AGC 150 PMS Lite | |||
Fischer Panda | xControl | VE.Can | |
iGenerator | |||
fpControl | |||
1) Este modelo não inclui a conectividade Ethernet. Portanto, é necessário um dispositivo de comunicação USB para Ethernet DSE855 da Deep Sea Electronics ou outro gateway DSE ativado para Ethernet. 2) Este modelo não inclui a conectividade RS485. Portanto, é necessário o dispositivo de comunicação USB para RS485 DSE857 da Deep Sea Electronics, ou outro gateway DSE ativado para RS485. 3) O conversor isolado USB para RS485 USB485-STIXL da Hjelmslund Electronics (https://hjelmslund.eu/) 4) Este modelo tem uma porta RS485 isolada integrada; no entanto, a interface RS485 para USB é necessária. | |||
Controladores de gerador CC compatíveis para a integração de grupos geradores ligados
Fabricante | Modelo | Tipo de ligação | Notas |
|---|---|---|---|
Fischer Panda | fpControl | VE.Can | |
Hatz | fiPMG | VE.Can | Compatível com o controlo de tensão DVCC |
Importante
O dispositivo GX é compatível apenas com um controlador de grupo gerador ligado. Ao realizar a integração através de Ethernet, certifique-se de que apenas um controlador do grupo gerador está acessível ao dispositivo GX.
18.2.1. Sinal de ligar / desligar controlado por relé
A maioria dos geradores é compatível com um sinal de ligar / desligar externo, normalmente através de um contacto sem potencial. Fechar ou abrir o contacto liga ou desliga o gerador, respetivamente.
Alguns geradores precisam de sinais pulsados em vez de uma ligação contínua. Nestes casos, podem ser necessários relés de temporização adicionais (ver abaixo). Consulte sempre o manual do gerador ou fale com o fornecedor para obter a informação relativa à configuração do fio do sinal de ligar remoto.
No dispositivo GX, o relé 1 deve ser usado para controlar o gerador. Depois de ligar a entrada do gerador ao Relé 1, aceda a Definições → Integrações → Relés → Função (Relé n.º) → Ligar/desligar gerador. Quando o Relé 1 estiver configurado para «Ligar/Desligar gerador», as definições relacionadas podem ser acedidas através de Definições → Dispositivos → Gerador. |
18.3. Menu de ligar/desligar gerador
A página de visão geral da função de ligar/desligar o gerador pode ser acessada em Configurações → Dispositivos → Gerador. Esta página pode ser utilizada para monitorizar o estado do gerador, visualizar o estado do erro, aceder ao tempo de funcionamento e manutenção e efetuar as definições necessárias.
Os itens de menu individuais têm as seguintes funções:
| |
(*) Aplicável apenas a grupos geradores ligados. (*2) Aplicável apenas a grupos geradores CC ligados. | |
18.4. Menu Definições
No menu Ligar / Desligar Gerador, desloque-se para baixo e toque em Definições para abrir o menu Definições.
|
18.4.1. Alarme quando a função de arranque automático está desativada
Se esta opção estiver ativada, será desencadeado um alarme quando a função de arranque automático estiver desativada durante mais de 10 min. Isto é particularmente útil após a manutenção do gerador, caso o técnico se esqueça de reativar o modo de arranque automático. Isto assegura que a função de arranque automático não é deixada desativada involuntariamente. Nos grupos geradores ligados digitalmente, como DSE, ComAp e Fischer Panda, também verifica se as ligações remotas estão ativadas no painel do grupo gerador. Podem ser emitidos dois alarmes:
|
18.4.2. Menu do Tempo de funcionamento e intervalo de manutenção
Todos os geradores precisam de manutenção após um determinado período. O intervalo de manutenção recomendado depende principalmente da utilização e do tempo de funcionamento. Este menu permite definir um intervalo de manutenção, iniciando um contador que emite um aviso quando é necessário realizar uma manutenção. Os itens do menu em detalhe:
|
18.4.3. Menu de aquecimento e arrefecimento:
O menu de aquecimento e arrefecimento permite configurar o tempo de que o gerador precisa para aquecer ou arrefecer antes ou depois do funcionamento. É controlado por relé enquanto o relé de entrada de CA estiver aberto e o inversor/carregador não estiver ligado.
Este menu também é utilizado nos grupos geradores ligados digitalmente (p. ex., através de Modbus), nos quais o relé GX não é utilizado.
Nota: esta função requer uma atualização do inversor/carregador VE.Bus para o firmware 502 ou posterior.
Tempo de aquecimento:
Tempo de arrefecimento:
Tempo de paragem do gerador:
|
18.5. Condições de ligar / desligar automático
Na perda de comunicação: Se a comunicação entre o Cerbo GX e o inversor / carregador VE.Bus se perder e os parâmetros para ligar / desligar o gerador dependerem destes dados, escolha uma das seguintes ações:
Parar o gerador quando a entrada CA estiver disponível: Útil para sistemas de reserva em que um Quattro está ligado à rede elétrica em AC-IN 1 ou AC-IN 2, com um grupo gerador na outra entrada CA. Quando ativado, o grupo gerador apenas irá parar quando a energia elétrica for reposta após uma falha. |
Os seguintes parâmetros podem ser definidos pelo utilizador para ligar / desligar o gerador automaticamente:
(*O valor medido corresponderá ao consumo CA total do sistema.)
Os parâmetros da condição são priorizados na ordem indicada acima. Se várias condições forem cumpridas simultaneamente, apenas a condição de maior prioridade será visualizada como ativa. Todas as condições ativadas serão avaliadas, mesmo se o gerador já estiver a funcionar. Quando a condição ativa for satisfeita, um parâmetro não cumprido numa condição de prioridade inferior pode manter o gerador a funcionar.
18.5.1. Parar o gerador quando a entrada AC estiver disponível
Esta opção é ideal para sistemas de reserva em que um Quattro tem uma entrada CA ligada à corrente elétrica e a outra a um gerador.
Quando estiver ativado e a entrada CA ligada à rede definida, o gerador para automaticamente quando a energia da rede for reposta após uma falha na rede elétrica. O processo segue estes passos:
O gerador é desligado primeiro.
É aplicado um período de arrefecimento, com base na definição configurada.
São permitidos mais 15 s para que o gerador conclua o encerramento.
|
18.5.2. Para ligar / desligar com base no SoC da Bateria
Esta função permite controlar gerador com base no estado da carga dos níveis de bateria (SoC).
|
18.5.3. Ligar / Desligar com base na Tensão da Bateria
Esta função permite controlar o gerador com base nos níveis de tensão da bateria.
|
18.5.4. Ligar / Desligar com base na carga CA
A carga CA funciona de forma semelhante a outros ativadores, mas a função pode ser redefinida pela configuração Medição. A configuração Medição está disponível no firmware v2.0 e superior e tem três valores possíveis:
|
18.5.5. Ligar / Desligar com base na temperatura Elevada do Inversor
Esta função permite ativar o gerador com base nas advertências de temperatura do inversor.
|
18.5.6. Ligar / Desligar com base na sobrecarga do Inversor
Esta função permite ativar o gerador em resposta a uma advertência de sobrecarga do inversor.
|
18.5.7. Ligar/desligar com base no nível do depósito
Esta funcionalidade permite a desativação do gerador com base no nível do depósito, evitando bloqueios de ar quando o depósito está vazio.
|
18.5.8. Funcionamento periódico
Esta função permite arranques automáticos periódicos do gerador.
|
18.5.9. Função de ligação manual
A função Ligação Manual permite ligar o gerador de forma remota. Se o gerador já estiver a funcionar, carregar em Ligar impede que pare automaticamente em caso de cumprimento da condição ativadora. Por outras palavras, a Ligação Manual sobrepõe-se aos parâmetros de paragem automática.
Formas de ligar o gerador manualmente:
CuidadoSe for ligado manualmente (remotamente) sem um temporizador de paragem (função de funcionamento temporizado), o gerador funciona de forma indefinida até ser desligado manualmente.
|
18.5.10. Horário sem ruído
O horário Sem Ruído permite definir um período no qual o ruído do gerador seria um incómodo. Durante este período, o gerador apenas arranca se for absolutamente necessário, utilizando as condições de arranque automático definidas.
Como ativar o horário Sem Ruído
Tenha em conta que se as horas de ligar e de desligar tiverem o mesmo valor, o horário Sem Ruído vai permanecer ativo de forma indefinida quando estiver ativado. |
Utilizar o «Horário sem ruído» para definir dois conjuntos de preferências do utilizador
A função de horário Sem Ruído também pode ser utilizada para personalizar a reação do sistema a diferentes condições. Por exemplo:
Madrugada / SoC baixo: Frequentemente, o SoC da bateria é mais baixo durante a manhã. Em combinação com o tempo nublado ou painéis solares com uma propensão ocidental (com um melhor desempenho durante a tarde), o gerador pode arrancar automaticamente de manhã devido a um SoC baixo. No entanto, mais tarde, à medida que a produção solar aumenta, o trabalho do gerador pode tornar-se desnecessário. Ao definir o horário Sem Ruído durante este período com limites de arranque automático mais baixos, pode evitar os arranques prematuros do gerador e fazer uma melhor utilização da energia solar disponível.
Casa de férias: Numa casa de férias, a procura de energia é significativamente maior quando está ocupada do que quando está vazia. A função de horário Sem Ruído pode ser útil mediante a aplicação de limiares de arranque automático mais baixos quando a casa estiver a ser utilizada e mais altos quando estiver vazia.
Para implementar isto:
Defina o horário Sem Ruído como uma condição permanente (ver acima) enquanto a casa estiver ocupada.
Desligue o horário Sem Ruído quando a casa estiver vazia para permitir o comportamento normal do gerador.
18.6. Controlador ComAp
18.6.1. Introdução
Como funciona?
O dispositivo GX comunica (ler / enviar) com o painel InteliLite 4 através de Modbus TCP em Ethernet, utilizando o módulo ComAp CM3-Ethernet (necessário) como a interface de comunicação. É necessário refazer o mapeamento dos registos Modbus com o software InteliConfig.
Pode encontrar uma visão geral de todos os registos Modbus utilizados e dos mapeamentos necessários no apêndice: Registos de manutenção Modbus para o controlador ComAp InteliLite 4
Depois de aplicar o mapeamento, o dispositivo GX deteta automaticamente a presença de um controlador ComAp InteliLite 4 através da sequência de identificação localizada no registo Modbus 1307. Vai reconhecer todos os módulos com nome que começa com «InteliLite4-». Esta cadeia de identificação também é indicada na barra de título da janela InteliConfig.

18.6.2. Requisitos
Dispositivo GX com VenusOS v3.42 ou posterior
Controlador ComAp compatível
Módulo CM3-Ethernet (código de encomenda do ComAp: CM3ETHERXBX)
Também pode funcionar com o módulo normalizado CM-Ethernet (código de encomenda ComAp: CM2ETHERXBX), mas não foi testado.
Equipamento de rede Ethernet
18.6.3. Instalação e configuração
A instalação e a configuração têm lugar em apenas alguns passos. Precisa unicamente de ativar o Servidor Modbus no seu módulo CM-CM3-Ethernet. Pode fazer isto no painel de controlo ou utilizando o software do controlador, InteliConfig, que pode ser descarregado no site da ComAp.
Não é necessária qualquer configuração adicional do módulo ComAp CM3-Ethernet.
Os registos Modbus devem ser ajustados utilizando o software InteliConfig de acordo com a lista de registos descrita em Registos de manutenção Modbus para o controlador ComAp InteliLite 4.
Configuração do controlador ComAp
O procedimento seguinte descreve as etapas para utilizar o software de configuração InteliConfig. Certifique-se de que dispõe da versão mais recente e que está ligado ao controlador:
Assegure-se de que as unidades / formato de potência correto:
Selecione o separador Configuração do Controlador
Selecione Outros
Selecione Unidades / Formato de potência
Certifique-se de que as unidades estão definidas como «Métrico - 20 ºC, 10,0 bar, 11,4 l/h» e que o formato de potência está definido como «Padrão 1 kW/kVA/kVar 1 V»

Selecionar sensores
Selecione «Barra VDO 10» e certifique-se de que a Resolução está definida como «0,1» e o Escurecimento está definido como «Barra»

Agora selecione «VDONível %» e certifique-se de que a Resolução está definida como «1» e Escurecimento está definido como «%»

Remapeamento dos registos Modbus:
Na mesma janela, selecione MODBUS
Transfira o ficheiro de mapeamento Modbus para a Victron Energy: Mapeamento ComAp InteliLite GX
Na parte inferior, em Importar / Exportar, clique no ícone de importação na direita
Selecione o ficheiro de mapeamento transferido e clique em OK
No canto inferior direito, clique no botão Escrever para guardar a configuração no controlador
O ficheiro UMOD de mapeamento ComAp Modbus contém os mapeamentos de registo Modbus necessários, conforme requerido pelo dispositivo GX. Um formato legível por humano do mapeamento também pode ser encontrado no apêndice: Registos de manutenção Modbus para o controlador ComAp InteliLite 4.


Ativar o servidor Modbus do controlador
Selecione o separador Setpoint (ponto de definição)
No menu subsequente, selecione o módulo CM-Ethernet
Ative o Servidor Modbus

Configuração do dispositivo GX
Quando o dispositivo GX e o controlador do grupo gerador estiverem ligados à mesma rede, aparece automaticamente na lista de dispositivos. A imagem mostra um exemplo de um controlador do gerador DSE. Se não aparecer, verifique as configurações Modbus no dispositivo GX, acedendo a Definições → Integrações→ Dispositivos Modbus. Certifique-se de que a Análise Automática está ativada (esta é a predefinição) ou que procura manualmente o dispositivo; deve ser detetado e listado no submenu Dispositivos detetados. Para um funcionamento fiável, mantenha a análise automática ativada, pois a rede é analisada a cada dez minutos. Se o endereço IP for alterado, o dispositivo vai ser detetado novamente. No entanto, é recomendável atribuir um endereço IP estático ao controlador para evitar perdas inesperadas de comunicação. |
18.7. Controlador Tecnologia CRE
18.7.1. Introdução
Como funciona?
O dispositivo GX comunica com o controlador CRE mediante a leitura e o envio de dados de acordo com a especificação Modbus TCP do controlador, usando a conectividade Ethernet do controlador CRE.
Ao utilizar os valores de identificação obtidos por Modbus, o dispositivo GX deteta automaticamente a presença do controlador.
18.7.2. Requisitos
Dispositivo GX com VenusOS v3.50 ou posterior
Controlador CRE compatível com a versão de firmware v2.0 ou posterior
Equipamento de rede Ethernet
18.7.3. Instalação e configuração
Pré-requisitos
O controlador CRE permite alterar as unidades em termos de pressões e temperaturas; no entanto, o dispositivo GX espera que a pressão do óleo seja configurada em bar e temperaturas em ºC. Certifique-se de que as unidades estão definidas corretamente.
Configuração do dispositivo GX
Quando o dispositivo GX e o controlador do grupo gerador estiverem ligados à mesma rede, aparece automaticamente na lista de dispositivos. A imagem mostra um exemplo de um controlador do gerador DSE. Se não aparecer, verifique as configurações Modbus no dispositivo GX, acedendo a Definições → Integrações→ Dispositivos Modbus. Certifique-se de que a Análise Automática está ativada (esta é a predefinição) ou que procura manualmente o dispositivo; deve ser detetado e listado no submenu Dispositivos detetados. Para um funcionamento fiável, mantenha a análise automática ativada, pois a rede é analisada a cada dez minutos. Se o endereço IP for alterado, o dispositivo vai ser detetado novamente. No entanto, é recomendável atribuir um endereço IP estático ao controlador para evitar perdas inesperadas de comunicação. |
18.8. DSE - compatibilidade com o controlador de gerador Deep Sea
18.8.1. Introdução
Integrar o controlador de gerador Deep Sea Electronics (DSE) num dispositivo GX permite ler os dados de CA, a pressão do óleo, a temperatura do líquido de arrefecimento, nível de depósito e outros dados do estado. Além disso, é compatível com a sinalização digital de ligar/parar a partir do dispositivo GX.
Como funciona?
O dispositivo GX comunica com o controlador Deep Sea Electronics (DSE) mediante a leitura e o envio de dados através da especificação DSE «GenComm» Modbus. Esta comunicação ocorre através da ligação Ethernet do controlador DSE ou, nos controladores sem interface Ethernet, através do dispositivo de comunicações USB para Ethernet DSE855 da Deep Sea Electronics ou de outro gateway DSE com Ethernet ativada que seja compatível com Modbus TCP.
Ao utilizar os valores de identificação obtidos por Modbus, o dispositivo GX deteta automaticamente a presença do controlador.
18.8.2. Requisitos
Dispositivo GX com VenusOS v3.12 ou posterior
Controlador DSE compatível
Nos modelos que oferecem apenas conectividade USB (ver tabela em Como integrar), é necessário um DSE855 da Deep Sea Electronics (ou um dispositivo semelhante).
Equipamento de rede Ethernet
Caso especial: DSE 4520 MKII (Venus OS v3.50 ou posterior)
Ao contrário de todos os outros controladores DSE suportados, o DSE 4520 MKII não aceita comandos de controlo através de comunicação digital. Por isso, deve ser utilizado um sinal de controlo com fios através da função de «Relé auxiliar do grupo gerador ligado». Mais informações disponíveis na próxima secção.
18.8.3. Instalação e configuração
Configuração do dispositivo GX
Quando o dispositivo GX e o controlador do grupo gerador estiverem ligados à mesma rede, aparece automaticamente na lista de dispositivos. Se não aparecer, verifique as configurações Modbus no dispositivo GX, acedendo a Definições → Integrações → Dispositivos Modbus . Certifique-se de que a Análise Automática está ativada (predefinição) ou de que a análise manual do dispositivo é realizada; deve ser detetado e listado no submenu de Dispositivos Detetados. Para um funcionamento fiável, mantenha a análise automática ativada, pois a rede é analisada a cada dez minutos. Se o endereço IP for alterado, o dispositivo vai ser detetado novamente. No entanto, é recomendável atribuir um endereço IP estático ao controlador para evitar perdas inesperadas de comunicação. |
Relé auxiliar do grupo gerador ligado
O relé 1 no dispositivo GX pode ser configurado como um Relé auxiliar do grupo gerador ligado.
Esta definição permite que o Relé 1 funcione em paralelo com os comandos de controlo digital de um DSE 4520 MKII ligado. O Relé 1 mantém-se aberto enquanto o grupo gerador se desliga e fecha-se quando o comando de ligar é emitido.
Esta função é útil para:
Para obter instruções sobre as ligações, consulte Sinal de ligar / desligar controlado por relé |
18.9. Controlador DEIF
18.9.1. Introdução
Como funciona?
O dispositivo GX lê e envia os dados ao controlador DEIF através da especificação Modbus do controlador, usando a ligação Ethernet ou a porta RS485 1 do controlador DEIF. Ao utilizar os valores de identificação obtidos por Modbus, o dispositivo GX deteta automaticamente a presença do controlador.
18.9.2. Requisitos
Dispositivo GX com o Venus OS v3.50 ou posterior
Controlador DEIF AGC 150 compatível com a versão de firmware 1.19.0 (desde maio de 2024) ou posterior
Para integração por Ethernet: Equipamento de rede Ethernet
Para integração por RS485: Interface RS485 para USB Victron Energy (código de peça ASS030572050 ou ASS030572018)
18.9.3. Instalação e configuração
Definir o parâmetro de escala correto Atualmente, apenas o valor predefinido para o parâmetro «Escala» do controlador (Canal 9030, valor 100 a 25000 V) é compatível. Antes de ligar, certifique-se de que esta definição está correta. A definição está disponível através do visor do controlador no parâmetro → Definições básicas → Configuração de medição → Escala → Escala. Para fazer as alterações, introduza a senha mestre (predefinição: 2002) e faça a configuração do intervalo predefinido de 100 V a 25 000 V. | ![]() |
Para a ligação Ethernet Utilize a porta Ethernet do controlador DEIF para o ligar à mesma rede Ethernet que o dispositivo GX. |
Para ligação RS485 A série de controlador DEIF AGC 150 tem duas portas RS485, sendo a porta 1 isolada galvanicamente. O isolamento galvânico previne os denominados anéis de terra que poderiam danificar os dispositivos devido a correntes indesejadas. Portanto, deve ser utilizada a porta 1, como explicado na tabela. Depois de ligar o controlador ao dispositivo GX, utilize o ecrã do controlador e aceda aos parâmetros → Comunicação → RS485 → RS485 1 → Parâmetros, introduza a senha principal (a predefinição é «2002») e defina os parâmetros da seguinte forma:
|
| |||||||||||||||||||||
![]() |
Configuração do dispositivo GX Quando o dispositivo GX e o controlador do grupo gerador estiverem ligados, aparece automaticamente na lista de dispositivos. Se utilizar o método de Ethernet e não aparecer, verifique as definições Modbus no dispositivo GX, Definições → Integrações → Dispositivos Modbus e certifique-se de que a Análise Automática (predefinição) está ativada ou então faça uma análise; deve ser detetado automaticamente e surge no submenu de dispositivos Detetados. Para que isto funcione de uma forma fiável, a análise automática deve permanecer ligada. A rede é analisada a cada 10 min. Se o endereço IP for alterado, o dispositivo vai ser detetado novamente. No entanto, é recomendável atribuir um endereço IP estático ao controlador para evitar perdas inesperadas de comunicação. |
18.10. Assistência para o Gerador Fischer Panda
18.10.1. Introdução
O dispositivo GX faz a leitura e o envio de dados ao gerador Fischer Panda através de uma ligação VE.Can, utilizando o módulo Fischer Panda SAE J1939 (necessário). Os geradores CA e CC são compatíveis.
18.10.2. Requisitos
Dispositivo GX com firmware v2.07 ou posterior
Gerador Fischer Panda, xControl, iGenerator ou fpControl GC
Módulo CAN SAE J1939 Fischer Panda (número de peça 0006107)
FP-Bus Fischer Panda para adaptador VE.Can (número de peça 0023441)
Opcional: FP-CAN para NMEA 2000 (FP art. n.º 0031409)
Requisitos de firmware do Fischer Panda:
iControl (para iGenerator): v2.17 ou superior
Painel iControl: nenhum requisito mínimo
xControl (para geradores de velocidade constante): 4V38 ou superior
Painel xControl: 4V29
fpControl (para geradores CA e CC): qualquer versão
Painel fpControl: 4V29 ou superior
Módulo Fischer Panda SAE J1939 CAN: 2V05 ou superior
Módulo trifásico Fischer Panda: 4V0b ou superior
Interface Fischer Panda NMEA 2000: 2V11 ou superior
18.10.3. Instalação e configuração
Ligar um Gerador Fischer Panda xControl
O diagrama seguinte mostra como ligar um gerador Fischer Panda xControl.
![]() |
Ligar um Gerador Fischer Panda iControl
O diagrama seguinte mostra como ligar um gerador Fischer Panda iControl.
![]() |
Ligar um Gerador Fischer Panda fpControl
O diagrama seguinte mostra como ligar um gerador Fischer Panda fpControl.
![]() |
18.10.4. Monitorização e configuração por dispositivo GX
Importante
Importante: O funcionamento do gerador apenas é possível e permitido quando o painel xControl ou o fpControl ou iControl estão ligados.
Certifique-se de que em Definições → Conectividade o perfil CAN-bus selecionado é «VE.Can & Lynx Ion BMS (250 kbit/s)». É a predefinição e suporta NMEA 2000. |
Depois de concluir toda a cablagem e efetuar a configuração corretamente, o Fischer Panda aparece na lista de dispositivos: |
Aceder no dispositivo Fischer Panda no menu revela uma página como esta: Tenha em conta que inclui um interruptor de ligar/desligar, bem como a possibilidade de visualizar informação do estado e os principais parâmetros de CA: tensão, corrente e energia. |
A temperatura do motor, as r.p.m. e as informações adicionais estão disponíveis se aceder ao submenu Motor. |
18.10.5. Manutenção
Antes de efetuar a manutenção no gerador, certifique-se de que o desliga no painel de controlo Fischer Panda. Isto desativa a função de arranque automático, impedindo que o gerador seja ligado remotamente, como por um Cerbo GX.
Quando a manutenção estiver concluída, volte a ativar novamente a função de arranque automático no painel de controlo Fischer Panda no menu de Gerador → Arranque automático → Ligar / Desligar.
18.11. Gerador DC Hatz fiPMG
18.11.1. Introdução
Como funciona?
O gerador CC Hatz fiPMG é um gerador de íman permanente integrado no volante (PMG) que se ajusta a cargas variáveis com uma velocidade variável. É alimentado por um motor a gasolina Hatz E1 com injeção controlada eletronicamente.
A Unidade da Fonte de Alimentação (PSU) proporciona tensões de saída reguláveis para sistemas de 28 V ou 56 V e comunicação entre a PSU – ECU – dispositivo Victron GX de acordo com a norma SAE J1939.
O inversor de Duplo CAN tem duas portas CAN separadas:
Porta CAN 1: Processa a comunicação entre a PSU (inversor) e a ECU do motor.
Porta CAN 2: Gere a comunicação entre a PSU e o dispositivo GX.
Para mais detalhes, visite www.hatz.com onde pode aceder a todos os esquemas elétricos e a informações adicionais específicas da unidade.
18.11.2. Requisitos
Dispositivo GX com o firmware Venus OS v3.50 ou posterior
Gerador Hatz fiPMG com PSU de CAN Duplo (inversor) para saída CC em 28 V ou 56 V
Cabo VE-CAN a HATZ-CAN (disponível para compra na HATZ)
18.11.3. Instalação e configuração
Ligar um gerador Hatz fiPMG
O diagrama seguinte mostra como ligar o gerador CC Hatz fiPMG ao dispositivo GX.

Configuração do dispositivo GX
Certifique-se de que em Definições → Serviços o perfil CAN-bus selecionado é «VE.Can & Lynx Ion BMS (250 kbit/s)». É a predefinição e suporta NMEA 2000. Quando o dispositivo GX e o controlador do grupo gerador estiverem ligados, aparece automaticamente na lista de Dispositivos. |
18.11.4. Manutenção
Consulte o manual fiPMG para obter as instruções de manutenção.
18.11.5. Resolução de problemas
Lista de códigos de erro da PSU: Consulte www.hatz.com (série E do protocolo CAN)
Lista de códigos de erro da ECU: Consulte www.hatz.com (códigos de diagnóstico de problemas da série E)
18.12. Estado do gerador e horas de funcionamento melhoradas através de uma entrada digital
Para um estado preciso do motor e um melhor acompanhamento das horas de funcionamento acumuladas no dispositivo GX, pode ser utilizado um fio de sinal de contacto seco adicional.
Existem duas opções de cablagem comuns:
Utilizar uma saída sem potencial no controlador do grupo gerador (se for compatível) para comunicar o estado do motor.
Utilizar um relé auxiliar CA na linha CA do gerador, que fecha um contacto sem potencial quando o grupo gerador começar a fornecer energia.
Para ativar esta função, aceda a Configurações → Integrações → E/S digitais e configure a entrada correspondente como «Gerador». Uma vez configurado, o estado do gerador pode ser visualizado na lista de Dispositivos e o tempo total de funcionamento será determinado com base no estado desta entrada digital. |
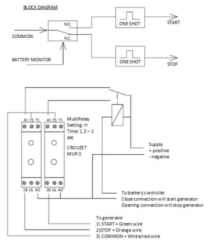
18.13. Cablar um gerador com uma interface de três cabos
Para ligar um gerador com uma interface de três cabos, o contacto de abertura/fecho deve ser convertido em impulsos de arranque e paragem separados. A solução abaixo, que utiliza os relés de temporização convencionais, permite:
Gerar um impulso de ligar quando o contacto de abertura/fecho se fecha.
Gerar um impulso de desligar quando o contacto de abertura / fecho se abre.
Importante: Este método apenas deve ser utilizado com geradores que disponham do seu próprio painel de controlo para monitorizar e desligar automaticamente em caso de problemas como uma pressão do óleo baixa. Não pode ser ligado diretamente ao motor de arranque e ao solenoide do combustível.
![]() |






